אלן עם ראש נירוסטה A4 – מטרי
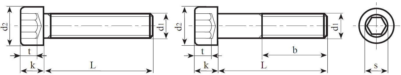
ברגי אלן עם ראש נירוסטה A4 מיוצרים מפלדת אל-חלד איכותית, ומתאימים לתבריג מטרי. הברג מספק חיבור חזק ומדויק עם מפתח אלן (משושה פנימי), והוא אידיאלי לשימוש בתעשייה, מערכות מכניות ובפרויקטים הדורשים עמידות גבוהה בפני קורוזיה. נירוסטה A4 מציעה הגנה מעולה מפני מים, מלח וחומציות, ולכן היא מתאימה במיוחד לשימושים חיצוניים וימיים.
הברג מצויד בראש משושה פנימי המאפשר הידוק נוח בעבודה עם מפתח אלן.
מאפיינים:
-
חומר: נירוסטה A4 (פלדת אל-חלד)
-
סוג: ברגי אלן עם ראש משושה פנימי
-
תבריג: מטרי
-
יתרונות: עמידות גבוהה בפני חלודה, חיבור יציב ועמיד
-
שימושים: תעשייה, תחזוקה, מערכות מכניות, עבודות חוץ וימיות
I.e Product Pictures C Bossard AG
at least once per communication instrument






